电动汽车差动助力转向系统控制研究(含CAD图)

电动汽车差动助力转向系统控制研究(含CAD图)(任务书,开题报告,文献摘要,外文翻译,论文说明书30000字,CAD图纸4张)
摘要
在环境问题亟待解决、石油等不可再生资源日趋紧张的大环境下,电动汽车研发逐渐成为汽车工业发展的潮流。轮毂电机驱动电动汽车使用安装在各个车轮的轮毂电机取代传统内燃机作为动力源,不仅使得整车的机械结构更为简单、空间布置更加灵活,而且这种分布式的驱动形式可以独立、精确地控制各个车轮的驱动转矩,可以轻松实现车辆底盘动力学控制。上述优势为轮毂电机驱动电动车提供了一种全新的助力转向思路,即差动助力转向。
因此本文针对了差动助力转向系统控制进行了如下几个方面的研究:
(1)建立轮毂电机驱动电动车整车动力学参考数学模型。其中包括三自由度(纵向、横向及横摆)车体动力学模型、车轮模型、魔术公式轮胎模型、轮毂电机模型、转向系统模型等,为控制策略推导、计算仿真铺垫。同时,在Carsim和Simulink软件中搭建上述各个模型。
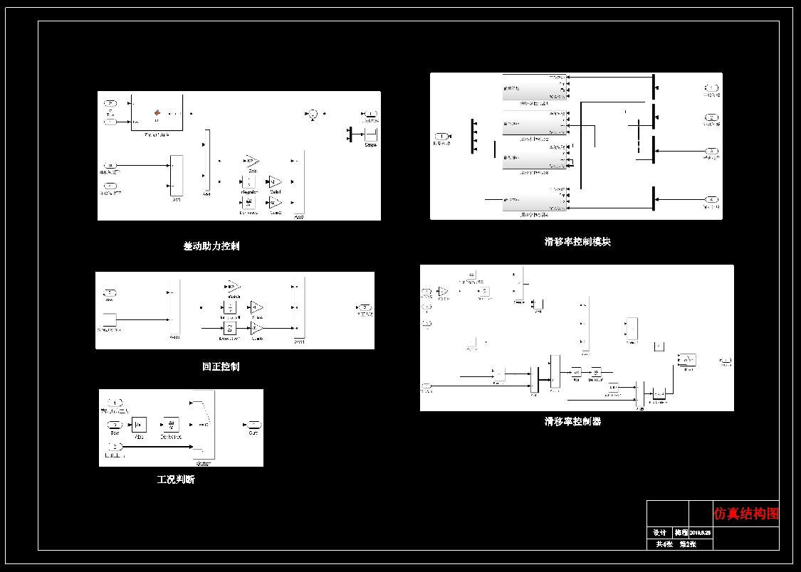
(2)差动助力转向控制策略研究。充分分析差动助力转向基本原理的基础上,依据易于实现、参数调整方便的直线型助力曲线设计理想差动助力特性,并基于理想差动助力特性设计差动助力转向系统控制策略。 [资料来源:www.doc163.com]
(3)Carsim/Simulink联合仿真。在低中高三种不同车速以及不同转向盘转角输入工况下进行了对比仿真实验。
研究结果表明:所设计的DDAS系统兼顾了转向灵敏性和转向轻便性,有效地减小了驾驶员方向盘手力,同时在车辆高速行驶时,助力效果相应减弱,使驾驶员能获得较好的路感信息反馈,满足了理想的助力特性。
本文的特色:本文建立的汽车动力学模型不仅满足精度要求而且足够简化;设计控制策略思路创新,考虑周全;采用Carsim/Simulink联合仿真的方式进行实证,结果分析严谨。
关键词:差动助力转向;轮毂电机驱动电动车;助力特性;Carsim/Simulin联合仿真
Abstract
Under the circumstances that environmental problems need to be solved urgently and non-renewable resources such as oil are running out, research on electric vehicle has gradually become a trend in the automobile industry. In-wheel Motor Electric Vehicle(IEV)replaces the traditional engine by motor installed in each wheel as the power source, which not only makes the mechanical structure of the vehicle simpler and the space arrangement more flexible, but also can control the driving torque of each wheel independently and accurately. So it is easy to control the dynamics of the vehicle chassis. The above advantages provide a new power steering idea for IEV, namely Differential Drive Assisted Steering(DDAS). Therefore, this paper has carried out the following researches on the control of DDAS system. [资料来源:https://www.doc163.com]
(1) Establishing a reference mathematical model for the dynamics of IEV. For the control strategy derivation, calculation and simulation, The model includes three degrees of freedom (longitudinal, lateral and yaw) car body dynamics model, wheel model, magic formula tire model, in-wheel motor model, steering system model, etc. At the same time, the above models are built in Carsim and Simulink software.
(2) Research on control strategy of DDAS. Based on the analysis of the basic principle of DDAS, the ideal differential assist characteristic is designed based on the linear assist curve which is easy to implement and convenient to adjust parameters. And The control strategy of DDAS is designed based on the ideal differential assist characteristic.
(3) Carsim/Simulink co-simulation. Contrast simulation experiments were carried out under conditions of different speeds (low, medium and high) and different steering wheel angle input. The results show that the designed DDAS system does well in both the steering sensitivity and steering portability, and can effectively reduce the driver's hand force. when the vehicle is driving at a high speed, the power-assisting effect is correspondingly weakened, so that the driver can get a better road Information feedback, which meets the ideal power-assisting characteristics.
[资料来源:https://www.doc163.com]
Key Words:Differential Drive Assisted Steering;In-wheel Motor Electric Vehicle;power-assisting characteristics;Carsim/Simulin co-simulation




[来源:http://Doc163.com] 

目录
第1章绪论 1
1.1 课题研究背景与意义 1
1.2 国内外研究现状 2
1.2.1 轮毂电机驱动电动车发展概况 2
1.2.2 现有助力转向技术发展综述 5
1.2.3 差动助力转向国内外研究现状 9
1.3 本文研究目的和主要内容 12
第2章轮毂电机驱动电动汽车动力学模型与仿真 13
2.1 整车动力学模型 13
2.2 车轮模型 14
2.3 轮胎模型 15
2.3.1 魔术公式轮胎模型 15
2.3.2 滑移率和侧偏角 17
2.4 轮毂电机模型 18
2.5 转向系统模型 20
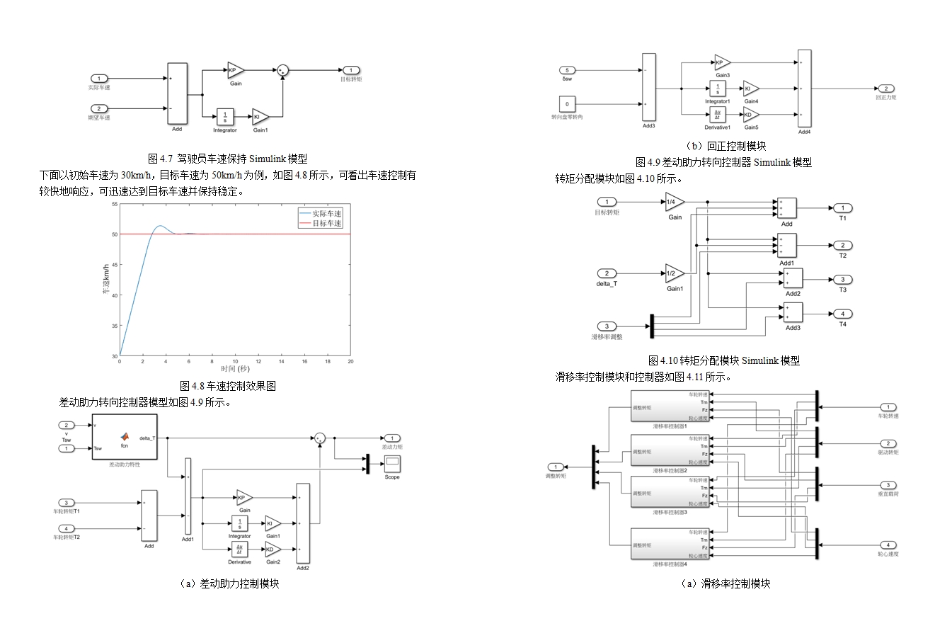
2.5 驾驶员车速保持模型 22
2.6 基于Carsim的模型搭建 23
2.6.1 Carsim软件介绍 23
2.6.2 Carsim车身模型 24
2.6.4 Carsim转向系统模型 25
2.6.3 Carsim轮胎模型 26
2.7 本章小结 26
第3章差动助力转向技术控制研究 27
3.1 差动助力转向基本原理 27
3.2 差动助力特性的设计 28
3.2.1 助力特性介绍 28
3.2.2 助力特性曲线 29
3.2.3 差动助力特性的确定 30
3.3 基于理想助力特性的差动助力转向控制策略 32
3.3.1 车轮滑移率控制 32
3.3.2 基于PID控制的转向轮转矩差直接控制 35
[资料来源:https://www.doc163.com]
3.3.3 转向盘回正控制策略 36
3.4 本章小结 37
第4章差动助力转向控制策略仿真验证 38
4.1 Carsim/Simulink联合仿真 38
4.2 轮毂电机驱动电动车差动助力转向系统仿真结构 40
4.3 差动助力转向控制系统仿真验证与分析 43
4.3.2 低速工况转向盘转角斜坡输入 43
4.3.2 中速工况转向盘转角正弦输入 44
4.3.3 高速速工况转向盘转角正弦输入 46
4.3.4 转向盘撒手回正工况 48
4.3 本章小结 49
第5章全文总结 51
5.1 全文总结 51
5.2 工作展望 51
参考文献 53
致谢 56 [资料来源:http://Doc163.com]
