火灾报警控制器电路原理图的设计

资料介绍:
火灾报警控制器电路原理图的设计(论文12000字,PDF电路图)
摘 要
随着社会整体需求的提高和相关技术的研发,复杂多变的建筑层出不穷,各类高层、超高层建筑的数量更是呈井喷状态,火灾隐患以及发生的几率则大大增加。当然,火灾预防措施也随之升级。本课题研究的内容和目的是基于Altium Designer(AD9)平台模拟设计一个实现火灾自动报警功能的控制器及相关功能模块电路,研究其硬件电路原理机制,为后续进一步独立设计完善的火灾自动报警系统打下基础。
首先本文对控制器硬件系统的总体设计作了概述,明确本次课题的主要设计内容。在考虑实际情况和自身理论储备有所欠缺的情况下,对整体设计需求和框架作了精简处理。同时也对设计过程中遇到的难点加以陈述。
其次是对课题研究过程中部分理论原则的简要阐释,并对设计过程中使用的部分核心器件加以说明和分析。
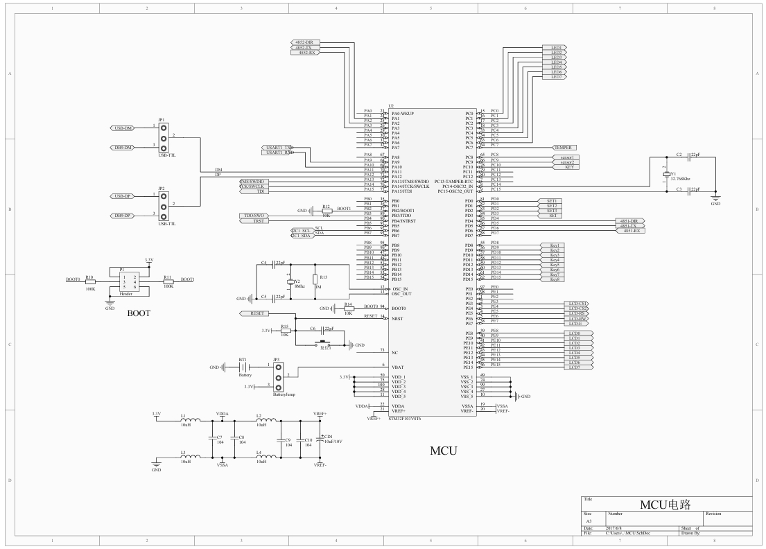
接着就是对整个硬件电路的详细设计。此次系统的电路设计是以STM32F107V8T6这款微处理器为控制器核心,同时集成电源电路、单片机最小系统电路、传感器电路以及其他功能模块电路,实验模拟探测火情、报警以及部分消防联动等功能。
最后,对在此次课题研究中自己的收获作了总结,也分析了设计的优点和缺陷,并对后续系统的进一步优化以及需要做的工作作了概括。
[版权所有:http://DOC163.com]
关键词:火灾报警 联动控制 控制器 电路设计
Design of Circuit Diagram for Fire Alarm Controller
Abstract
With the developmentoftheoverall social demand and related technology research , complex and varied buildings emerge in an endless stream. The quantity of high-rise and super high-rise buildings is even in a blowout state. Therefore, the risk of fire and the probability of fire occurrence increase greatly. Of course, the automatic fire alarm system will also be upgraded. The content and purpose of this research is to simulate and design a controller and related functional module circuitbased on Altium Designer (AD9) platform to study the hardwarecircuit principle mechanism, and to lay the foundation for independently designinga perfect automatic fire alarm system afterwards.
First of all, this paper gives an overview of the overall design forthe controller hardware system, and clarifies the main design content of this task. Considering the actual situation and the lack of own theoretical reserve, the overall design requirements and frameworks are simplified. Also, the paper states the difficulties encountered in the design process. [来源:http://Doc163.com]
Secondly,the paper makes brief explanation for some of the theoretical principles in the course of the study, and illustrates and analyzes some of the core components used in the design process.
After that is the detailed design of the entire hardware circuit. The circuit design of the system utilizesthe STM32F107V8T6 microprocessor as the core of the controller, and integrates the power circuit, the smallest single-chip system circuit, the sensor circuit and other functional module circuits to simulate and achieve the function of fire detection, alarm, fire start and the like.
Finally, the advantages and disadvantages of the whole design are summarized.Then the further optimization of the system afterwards and the work that needs to be done are generalized.
Key Words: Fire Alarm; Linkage Control; Controller; CircuitDesign
[资料来源:www.doc163.com]




目录
摘 要 I
Abstract II
第一章 绪论 1
[资料来源:www.doc163.com]
1.1课题背景 1
1.2火灾自动报警系统发展现状 1
1.3研究内容与论文组织 2
第二章 控制器硬件系统总体设计 4
2.1火灾报警控制器概述 4
2.2设计需求 4
2.3设计框架 4
2.4硬件设计技术难点 5
第三章 理论原则与核心器件 6
3.1火灾探测器概述 6
3.1.1探测器选择基本原则 6
3.1.2 MQ-2烟雾传感器模块 6
3.1.3 火焰传感器模块 7
3.1.4 温度传感器 8
3.2 MCU 9
3.3 功能模块芯片及应用 9
第四章 硬件电路原理设计 11
4.1电源模块电路 11
4.1.1外部开关电源 12
4.1.2 后备区域供电 13
4.2 MCU基本电路 13
4.2.1供电电路 13
[资料来源:http://www.doc163.com]
4.2.2复位电路 14
4.2.3晶振电路 15
4.2.4启动选择电路 15
4.2.5 JTAG接口调试电路 16
4.3 传感器电路 16
4.3.1烟雾传感器电路 17
4.3.2火焰传感器电路 18
4.3.3温度传感器电路 18
4.4 其他功能模块电路 19
4.4.1 通信接口电路 19
4.4.2 打印接口电路 21
4.4.3 外部存储电路 21
4.4.4 信号接收电路 22
4.4.5信号触发电路 23
第五章 总结和展望 27
5.1 论文总结 27
5.2 展望 27
参考文献 29
致谢 30 [资料来源:http://www.doc163.com]
