宿舍智能防盗防火报警系统设计

资料介绍:
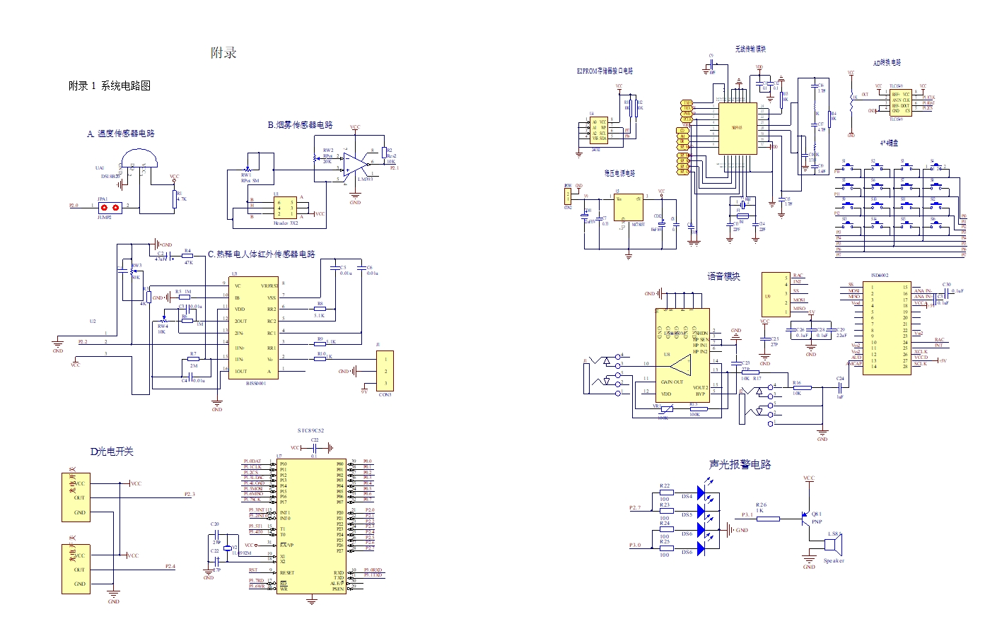
宿舍智能防盗防火报警系统设计(任务书,开题报告,论文16500字)
摘 要
在社会信息化进程日益发展的今天,信息技术已渗透到人类生存、活动的各个领域[1],人们的现代生活、工作、对居住和办公的建筑环境不仅要求舒适健康、安全可靠、高效便利,同时还要适应信息化社会运用科技手段和设备的要求。因此,将智能化引入宿舍已成为一种趋势,并且在智能化宿舍管理系统中对防火防盗报警进行监控已经成为民用建筑领域向信息化和网络化发展的一个重要组成部分。
本系统采用宏晶公司的STC89C52单片机作为主控制器,被监控宿舍利用热释电传感器、烟雾传感器配以蜂鸣器和LED实现人体检测、烟雾检测和声光报警功能。选择4*4矩阵键盘输入密码实现解警功能。用光电开关记录宿舍内人员的进出情况,选用ISD4002语音电路实现语音提示功能,并用nRF905无线传输实现异地监控,能够随时查看当前或最近几天的宿舍安防情况。利用无线射频数据传输和串口异步通讯实现网络监控,选用声磁防盗系统检测贵重物品的进出情况。
经过测试,本系统完成了课题的各项要求。宿舍节点控制器接收信号实现声光提示和液晶显示,并通过无线通讯模块传送给监控机实现异地监控,一部监控机可以远程监控多个宿舍,有利于学生宿舍的安全管理。
[资料来源:http://www.doc163.com]
关键词:报警系统 单片机 安防 异地多点监控
Intelligent security fire alarm system in dormitory
Abstract
In the process of increasing development of information society of today, information technology has infiltrated into human existence and activities of the various areas in the construction sector, people's modern life, working on residential and office building requires not only comfortable and healthy environment, safe, reliable, efficient and convenient, but also for the Information Society to use technology tools and equipment. Therefore, intelligence has become a trend into quarters in the intelligent management system for monitoring anti-theft alarm of fire, this has become the civil construction field to the development of information and networking is an important component.
The system uses macro crystal company STC89C52 as the master controller,By monitoring dormitory pyroelectricity sensor, smoke sensor buzzer and LED to realize human testing, smoke detection audible and visual alarm function, Choose 4 * 4 matrix keyboard input password system's warnings, Using photoelectric switch records in the dormitory and staff; Choose ISD4002 speech hint lock function realization circuit, NRF905 and realize remote monitoring, Using radio frequency transmission and asynchronous communication network monitoring, Choose sound magnetic security system in detecting the valuables.
[资料来源:www.doc163.com]
Through testing, the system has completed the requirements of the subject.The dormitory node controller receives the wireless signal and realizes the acousto-optic prompt and the liquid crystal display, and it can also transmits the information to the monitoring machine by the wireless communication module to realize different monitor, so a monitoring machine could monitor many dormitories in long-distance areas, safety management is advantageous to the students ’dormitory.
Keywords: Alarm System mcu Security Multi-point remote control
[来源:http://www.doc163.com]



目 录
摘 要 I
Abstract II
目 录 III
第一章 绪论 1
1.1概述 1
1.2防火防盗系统的主要特点 1
1.3 宿舍报警系统设计内容及要求 2
第二章 监控系统硬件实现及单元电路设计 3
[资料来源:www.doc163.com]
2.1总体方案设计 3
2.2主控制处理器 4
2.2.1主控制器的选择 4
2.2.2 STC89C52介绍 4
2.3电源模块 6
2.3.1电源模块选择 6
2.3.2稳压电路 6
2.4无线传输模块 7
2.4.1无线传输模块选择 7
2.4.2nRF905概述及特点 7
2.5键盘及显示模块 9
2.5.1键盘及显示模块的选择 9
2.5.2键盘密码输入功能实现 10
2.5.3 LCD显示电路功能实现 11
2.6贵重物品检测模块 12
2.6.1贵重物品检测模块选择 12
2.6.2声磁报警技术工作原理 12
2.7烟雾检测模块 13
2.7.1烟雾检测模块选择 13
2.7.2 烟雾传感器的原理及应用范围 13
2.7.3烟雾传感器功能实现 15
2.8人体检测模块 16 [来源:http://www.doc163.com]
2.8.1人体检测模块选择 16
2.8.2热释电红外传感器特点及工作原理 16
2.8.3热释电红外传感器技术参数 17
2.8.4光电开关对人员的检测 18
2.9声光报警模块 19
2.10温度传感器模块 20
2.10.1温度传感器的选择 21
2.10.2 DS18B20特点及工作原理 21
第三章 防火防盗监控系统程序设计 23
3.1监控系统程序功能描述与设计思路 23
3.2主控端软件流程 23
3.2.1主控端流程 23
3.2.2主控端C程序 24
3.2.3 12232液晶显示程序 25
3.2.4 DS18B20温度采集驱动程序 26
3.3监控端软件流程 27
3.3.1监控端流程 27
3.3.2监测端C程序 27
第四章总结 29
参考文献 30
致谢 31 [资料来源:http://doc163.com]
附录 32 [版权所有:http://DOC163.com]
