基于单片机的电子密码锁设计

基于单片机的电子密码锁设计(任务书,开题报告,外文翻译,论文13000字)
摘要
从古至今,锁一直保护着人们财产安全,不受到坏人的侵犯。而时代的进步使得电子密码锁逐渐进入人们的生活。它利用C51系列芯片作为它的主控制芯片,AT24C系列作为数据存储单元,再外加按键电路、液晶显示器电路、报警器等制作成的一款简易电子密码锁实物。再通过KEIL软件编写相应的程序代码完成密码锁所需要的功能。在设计时,首先需要在仿真软件PROTEUS软件上设计出电子密码锁的电路图,注意是否有错误;再在KEIL软件上编写出以设计出的电子密码锁电路为基础的密码锁代码;将二者结合进行仿真,根据仿真结果判断是否满足修密码锁所需要的开锁、报警的功能,如果没有满足功能,就需要修改电路、代码直到实现功能。仿真实现后需要制作电子密码锁的实物,实物完成之后下载代码,调试密码锁实物直到满足密码锁的功能。
经过实践证明,基于单片机制作出的电子密码锁完全符合密码锁所需要的功能,其成本低、操作简单,在保护家庭财产安全、办公室中商业机密等都是很好的选择。
关键词:密码锁;单片机;开锁;报警
Abstract
From ancient times until now, locks have been an important barrier to protect people's property safety from infringement, and the progress of the times makes electronic combination locks gradually enter people's lives. It uses C51 series chip as its main control chip, AT24C series as data storage unit, plus key circuit, liquid crystal display circuit, alarm, etc. to make a simple electronic coded lock. Then the KEIL software is used to write corresponding program codes to complete the functions required by the combination lock. During the design, the circuit diagram of the electronic password lock should be designed on the simulation software PROTEUS, and attention should be paid to whether there is any error. Then the coded lock code based on the designed electronic coded lock circuit is written on KEIL software. The combination of the two is simulated, and whether the unlocking and alarming functions required for repairing the coded lock are satisfied is judged according to the simulation result. If the circuit and code are not modified until the functions are realized. After the simulation is realized, the physical object of the electronic password lock needs to be manufactured, and after the physical object is completed, the code is downloaded, and the physical object of the password lock is debugged until the function of the password lock is satisfied. [来源:http://www.doc163.com]
Practice has proved that the electronic combination lock based on single chip microcomputer fully meets the functions required by the combination lock, with low cost and simple operation. It is a good choice in protecting the safety of family property and business secrets in the office.
Key words: single chip micro computer ;combination lock ;unlock;alarm
[资料来源:http://Doc163.com]





[资料来源:http://www.doc163.com]
目录
1绪论 1
1.1电子密码锁 1
1.2课题背景及意义 1
2设计分析 4
2.1设计分析 4
2.2系统结构 4
3电路图设计 6
3.1单片机最小系统 6
3.1.1 AT89C51 6
3.1.2晶振电路 7
3.1.3复位电路 7
3.2按键电路 8
3.2.1按键电路工作原理 9
3.3显示模块 10
3.3.1 LCD1602 10
3.3.2显示电路 12
3.4掉电保护部分 13
3.4.1 总线 13
3.4.2 AT24C02 15
3.5报警和开锁部分 15
4代码设计 17
4.1主程序流程图 17
4.2按键部分 18
4.3显示部分 20
4.4报警部分 20 [资料来源:http://Doc163.com]
5仿真及实物制作 22
5.1电子密码锁的仿真 22
5.2实物制作 23
6总结与展望 26
参考文件 27
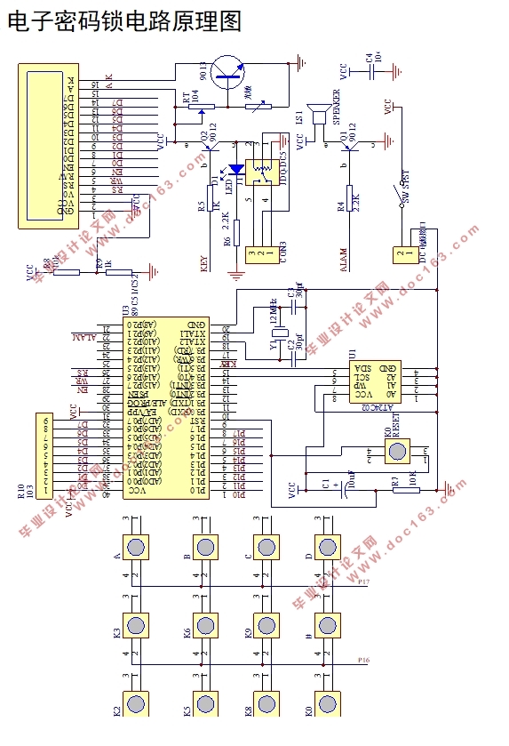
附录A电子密码锁电路原理图 28
附录B 程序源代码 29
致谢 56 [资料来源:Doc163.com]
