双层立体停车库设计总体设计计算与总装配图绘制(含CAD图)

双层立体停车库设计总体设计计算与总装配图绘制(含CAD图)(任务书,开题报告,外文翻译,实习报告,论文说明书17000字,CAD图14张,答辩PPT)
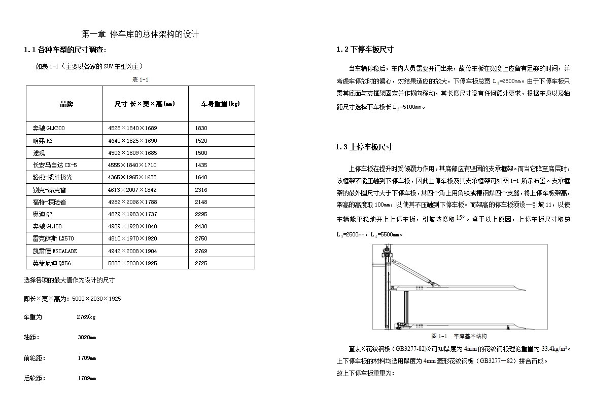
停车库的总体架构的设计
1.1各种车型的尺寸调查:
如表1-1(主要以各家的SUV车型为主)
品牌 尺寸 长×宽×高(mm) 车身重量(kg)
奔驰GLK300 4528×1840×1689 1830
哈弗H6 4640×1825×1690 1520
途观 4506×1809×1685 1500
长安马自达CX-5 4555×1840×1710 1435
路虎-揽胜极光 4365×1965×1635 1640
别克-昂克雷 4613×2007×1842 2316
福特-探险者 4986×2096×1788 2148
奥迪Q7 4879×1983×1737 2295
奔驰GL450 4989×1920×1840 2430
雷克萨斯LX570
4810×1970×1920 2750
凯雷德ESCALADE 4942×2008×1904 2769
英菲尼迪QX56
5000×2030×1925 2725
选择各项的最大值作为设计的尺寸
即长×宽×高为:5000×2030×1925
车重为 2769kg
轴距: 3020mm
前轮距: 1709mm
后轮距: 1709mm
[资料来源:www.doc163.com]




[来源:http://www.doc163.com] 

目录
概述 …………………………………………………………………………………1
第一章 升降横移式立体停车库的结构设计
1.1各种车型的尺寸调查…………………………………………………………4 [资料来源:Doc163.com]
1.2下停车板尺寸…………………………………………………………………5
1.3上停车板尺寸…………………………………………………………………5
1.4升降运动电机的选择
1.4.1主要参数的确定.………………………………………………………6
1.4.2链的强度和功率计算.…………………………………………………7
1.5横移机构的设计
1.5.1主要参数的确定………………………………………………………9
[资料来源:https://www.doc163.com]
1.5.2功率计算………………………………………………………………9
1.6斜拉杆的设计
1.6.1 斜拉杆的强度计算及校……………………………………………11
1.6.2 螺杆接触面强度校核………………………………………………13
1.6.3 螺栓轴的强度校核.………………………………………………13
1.7载车板的强度校核.…………………………………………………………14
1.8机架立柱稳定性的校核…………………………………………………… 16 [来源:http://www.doc163.com]
1.8.1立柱的截面力学特性.………………………………………………16
1.9机架梁强度校核计算.………………………………………………………18
1.10轴的校核……………………………………………………………………20
1.10.1主传动轴的设计计算………………………………………………21 [资料来源:https://www.doc163.com]
1.10.2横移传动轴的校核…………………………………………………22
1.10.3横移转轴的校核……………………………………………………23
第二章 停车库的各分系统的设计
2.1存取系统的设计
2.1.1控制系统………………………………………………………………25
2.1.2操作系统………………………………………………………………25
2.2立体车库安全系统设计
目录
2.2.1防坠落机构设计………………………………………………………26 [资料来源:www.doc163.com]
2.2.2限位开关的设计………………………………………………………27
2.2.3防异物进入装置的设计………………………………………………28
2.2.4手动绞盘的设计
2.2.4.1涡轮蜗杆的选择……………………………………………29
2.2.4.2联轴器的选择………………………………………………31
2.2.4.3涡轮轴承及端盖的选择……………………………………32
2.2.4.4蜗杆轴承的选择……………………………………………33 [来源:http://www.doc163.com]
2.3电气控制系统整体设计.……………………………………………………33
2.4电机拖动系统电气保护设计.………………………………………………35
2.5检测系统设计
2.5.1车位认址信号…………………………………………………………37
2.5.2车位停车信号…………………………………………………………38
2.5.3车位正确停车信号……………………………………………………38
2.5.4人员误入报警…………………………………………………………38 [来源:http://www.doc163.com]
2.5.5火灾报警信号…………………………………………………………39
2.6 PLC程序设计
2.6.1主程序设计……………………………………………………………43
2.6.2自动子程序……………………………………………………………44
2.6.3手动子程序……………………………………………………………46
附图.………………………………………………………………………………50
第三章 结论和展望
3.1结论……………………………………………………………………………52
3.2展望……………………………………………………………………………53
参考文献……………………………………………………………………………55 [资料来源:Doc163.com]
上一篇:63T-M平头塔式起重机安全装置与基础设计(含CAD图)
下一篇:链式立体停车库-垂直提升车位的设计与全套图纸绘制(含CAD图)
